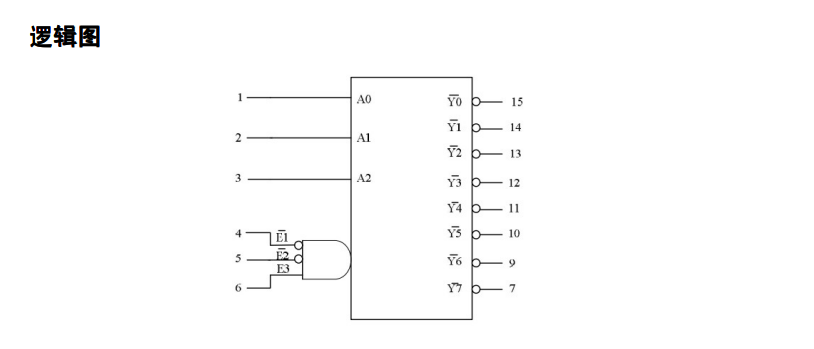
E3上面没有一横,表示是高电平有效
E1上面有一横,表示是低电平有效
E1上划线:这个信号为高电平(H)的时候,不管其他使能信号和输入信号是多少(这里用X表示),将会把输出信号全部置为H(高电平)
换言之,E1信号无效的时候,输出为1(没有输出)
E2上划线:这个信号为高电平(H)的时候,不管其他使能信号和输入信号是多少(这里用X表示),将会把输出信号全部置为H(高电平)
换言之,E2信号无效的时候,输出为1(没有输出)
E3无划线:这个信号为低电平(L)的时候,不管其他使能信号和输入信号是多少(这里用X表示),将会把输出信号全部置为H(高电平)
换言之,E3信号无效的时候,输出为1(没有输出)
只有当这3个信号全部都有效的时候,输入才能控制输出正常工作
正常工作的时候可以这么理解,把A0A1A2顺序倒一下变为A2A1A0,可以看成一个3位的2进制数,他们都为0的时候,这个数是000,则Y0有效,“Y0”里的"0"就是这个二进制数的对应十位数。
比如001(即a0是1,a1是0,a2是0)对应的十位数是1,所有输出行脚只有y1上划线为低电平(信号有效)
比如010(即a0是0,a1是1,a2是0)对应的十位数是2,所有输出行脚只有y2上划线为低电平(信号有效)
图示的顺序和我们的书写习惯不一样,这里要注意一下,方便理解。
