文章目录
- 前言
- 一、基本介绍
- 二、输入捕获通道原理
- 1.普通输入捕获
- 2.PWM模式
- 三、输出比较通道原理
- PWM 输出模式
- 总结
提示:以下是本篇文章正文内容
一、基本介绍
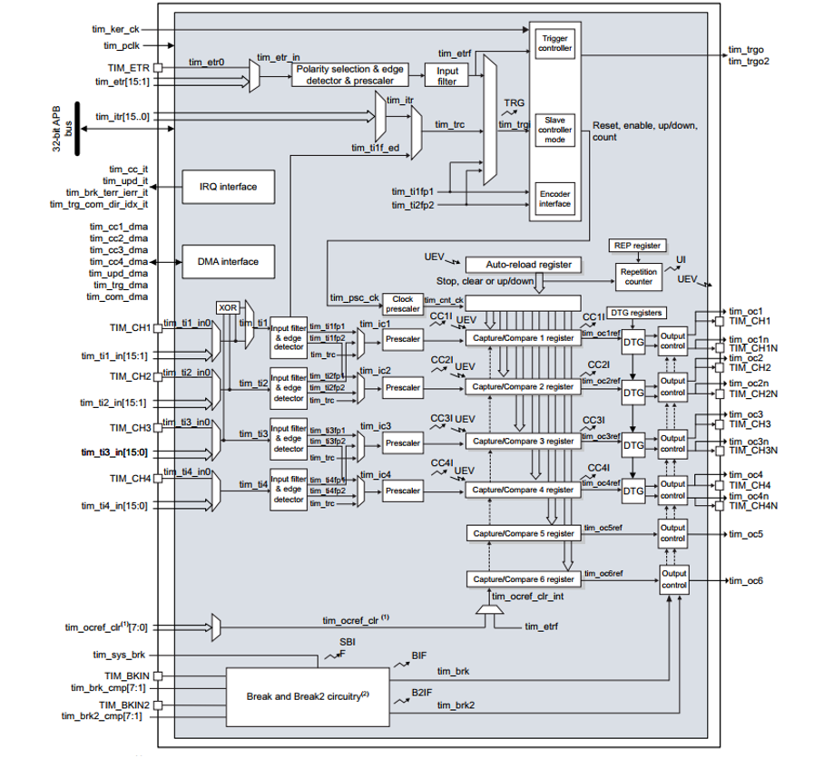
高级定时器是TIM1和TIM8,拥有4个16位的高精度的捕捉比较通道
可编程设定通道的方向:输入/输出
1.输入捕捉、 PWM输入捕捉
2.输出比较
3.脉冲调制宽度PWM
4.单脉冲模式
独立的IRQ/DMA请求生成器
更新事件 :计数器上溢/下溢、计数器初始化(通过软件或内部/外部触发)
触发事件(计数器启动、停止、初始化或通过内部/外部触发计数)
输入捕获
输出比较
刹车信号输入
计数方式:和基本定时器一样的,有三种计数器
中心对齐模式常用于PWM生成
中心对齐模式分为3种子模式:
模式1:下溢事件产生更新事件
模式2:上溢事件产生更新事件
模式3:上溢和下溢都产生更新事件
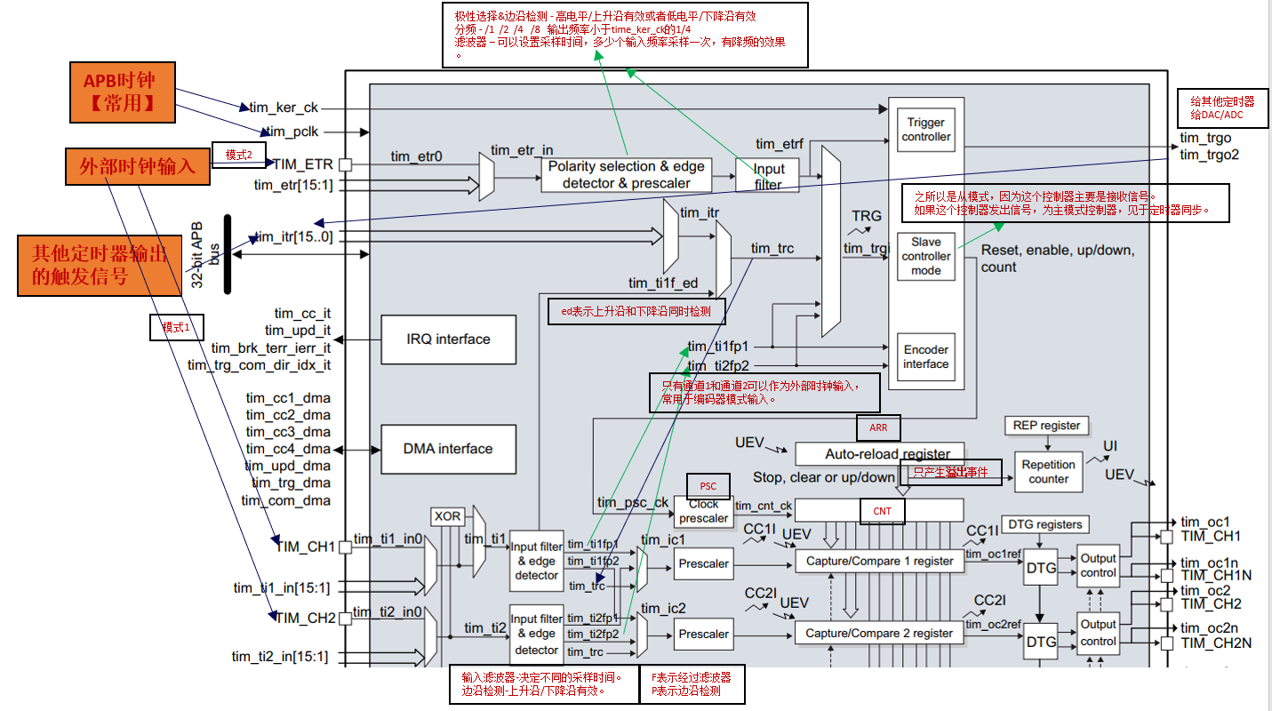
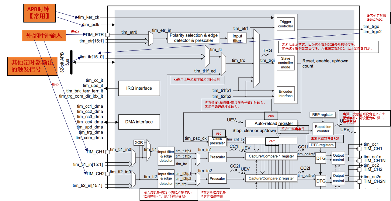
整体结构
是不是在高级定时器的结构里面看到了基本计数器的结构啊?从系统时钟的来源到计数寄存器这里前面基本是一样的,高级定时器这里如果要产生更新,必须还要设置重复次数寄存器,在满足一定的条件下才会产生更新,在这里只会产生事件。
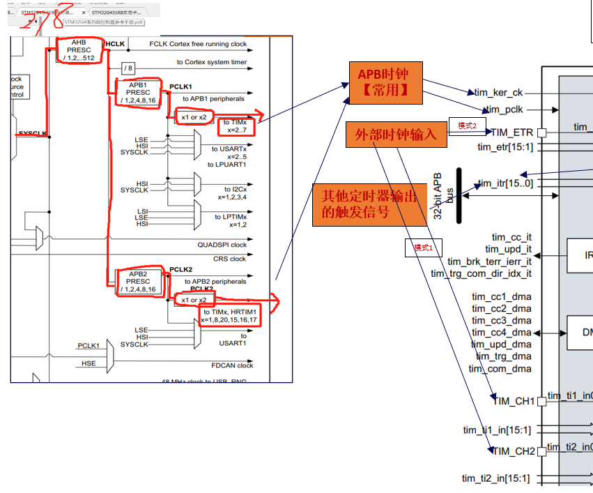
时钟源:高级定时器的时钟来源主要有三种,APB时钟,外部时钟,
其他定时器输出的触发信号。
但是在我们写程序的时候只会使用APB线时钟线,该线下的定时器工作原理
系统时钟经过控制器,可以通过触发发出一个信号可用于给其他定时器或者ADC/DAC,然后经过分频得到tim_cnt_ck,然后每来一次,计数器里面的数值就加1,若溢出会产生溢出事件,注意不是和基本定时器一样的。若想要产生更新,要重复次数寄存器RCR写数据,当溢出次数达到设定值+1产生更新事件,可设置为0,溢出等于更新
外部时钟作为时钟源:
外部时钟输入有模式1和模式2
模式1由定时器的通道1和通道2产生,然后经过输入滤波器和边沿检测产生tim_ti1fp1和tim_ti1fp2,常用于编码器模式输入
注:当输入的信号存在高频干扰的时候,需要对输入信号进行滤波,即进行重新采样,根据采样定律,采样的频率必须大于等于两倍的输入信号输入滤波器,边沿检测,上升沿/下降沿有效,f表示经过滤波器,p表示边沿检测
模式2由ETR产生,经过极性选择,边沿检测 : 高电平/上升沿有效或者低电平/下降沿有效,分频 系数:1 /2 /4 /8 要求:输出频率小于time_ker_ck的1/4,滤波器 可以设置采样时间,多少个输入频率采样一次,有降频的效果,然后可以通过触发器,也可以通过从模式控制器,这个控制器主要是接收信号。
定时器从模式控制器用于接收除了内部时钟外的信号,该信号用于完成如下控制:
1.复位Reset模式:使用内部时钟作为时钟源,TI1/2外部有效信号复位计数器。CH1触发输入上升沿有效时,计数器复位到默认值0
2.门控Enable模式:使用内部时钟作为时钟源,根据TI1/2外部电平情况运行计数器。当CH1输入为高电平时候,定时器正常计数;当CH1输入为低电平时,停止计数
3.触发Enable模式:使用内部时钟作为时钟源, TI1/2外部触发启动计数器。CH1触发输入上升沿时,定时器启动运行
4.外部时钟模式2+触发模式:使用外部ETR作为时钟源,配合其他(1,2,3)的触发启动模式
其他定时器输出的发出信号作为时钟源
定时器同步,一个定时器作为主模式控制器,另一个作为从模式控制器,
1.使用一个定时器作为另一个定时器的预分频器
2.使用一个定时器使能另一个定时器:例如,使用定时器1的触发信号控制定时器2是否计数
3.使用一个定时器去启动另一个定时器:例如,使用定时器1的更新事件使能定时器2是否计数
4.使用一个外部触发同步地启动2个定时器:例如,当定时器1产生TI1产生触发时,定时器1和定时器2同时启动
二、输入捕获通道原理
输入捕获可以对输入的信号的上升沿,下降沿或者双边沿进行捕获,常用的有测量输入信号的脉宽和测量 PWM 输入信号的频率和占空比这两种
输入捕获分为普通输入捕获模式和PWM输入模式
注:同一时刻,某一个引脚只能作为输入/输出,一旦一个引脚是输入/输出,该定时器所有引脚都是输入/输出
1.普通输入捕获
当捕获到信号的跳变沿的时候,把计数器 CNT 的值锁存到捕获寄存器 CCR 中,这就是普通输入捕获模式
测量脉宽或者频率:
测量周期:当捕获通道 TIx 上出现上升沿时,发生第一次捕获,计数器 CNT 的值会被锁存到捕获寄存器 CCR 中,而且还会进入捕获中断,在中断服务程序中记录一次捕获(可以用一个标志变量来记录),并把捕获寄存器中的值读取到 value1 中。当出现第二次上升沿时,发生第二次捕获,计数器 CNT 的值会再次被锁存到捕获寄存器 CCR 中,并再次进入捕获中断,在捕获中断中,把捕获寄存器的值读取到 value3 中,并清除捕获记录标志。利用 value3 和value1 的差值我们就可以算出信号的周期(频率)。
测量脉宽:当捕获通道 TIx 上出现上升沿时,发生第一次捕获,计数器 CNT 的值会被锁存到捕获寄存器 CCR 中,而且还会进入捕获中断,在中断服务程序中记录一次捕获(可以用一个标志变量来记录),并把捕获寄存器中的值读取到 value1 中。然后把捕获边沿改变为下降沿捕获,目的是捕获后面的下降沿。当下降沿到来的时候,发生第二次捕获,计数器 CNT 的值会再次被锁存到捕获寄存器 CCR 中,并再次进入捕获中断,在捕获中断中,把捕获寄存器的值读取到 value2中,并清除捕获记录标志。然后把捕获边沿设置为上升沿捕获
在测量脉宽过程中需要来回的切换捕获边沿的极性,如果测量的脉宽时间比较长,定时器就会发生溢出,溢出的时候会产生更新中断,可以在中断里面对溢出进行记录处理
2.PWM模式
测量脉宽和频率还有一个更简便的方法就是使用 PWM 输入模式,该模式是输入捕获的特例,只能使用通道 1 和通道 2, 通道 3 和通道 4 使用不了。与上面那种只使用一个捕获寄存器测量脉宽和频率的方法相比, PWM 输入模式需要占用两个捕获寄存器
当使用 PWM 输入模式的时候,因为一个输入通道(TIx)会占用两个捕获通道(ICx),所以一个定时器在使用 PWM 输入的时候最多只能使用两个输入通道(TIx)
PWM 信号由输入通道 TI1 进入,因为是 PWM 输入模式的缘故,信号会被分为两路,一路是 TI1FP1,另外一路是 TI2FP2。
其中一路是周期,另一路是占空比,具体哪一路信号对应周期还是占空比,得从程序上设置哪一路信号作为触发输入,作为触发输入的哪一路信号对应的就是周期,另一路就是对应占空比。
作为触发输入的那一路信号还需要设置极性,是上升沿还是下降沿捕获,一旦设置好触发输入的极性,另外一路硬件就会自动配置为相反的极性捕获,无需软件配置
一句话概括就是:选定输入通道,确定触发信号,然后设置触发信号的极性即可,因为是 PWM 输入的缘故,另一路信号则由硬件配置,无需软件配置
注:在上图中,两个ICx信号被映射至同一个TIx输入,这2个ICx信号为边沿有效,但是极性相反
PWM输入模式时序图
测周期原理:
1.PWM信号由TI1进入,配置TI1FP1为触发信号,上升沿捕获
2.当上升沿的时候IC1和IC2同时捕获,计数器CNT清零
3.到了下降沿的时候,IC2捕获,此时计数器CNT的值被锁存到捕获寄存器CCR2中
4.到了下一个上升沿的时候,IC1捕获,计数器CNT的值被锁存到捕获寄存器CCR1中
5.其中CCR2测量的是脉宽,CCR1测量的是周期。
输入通道与捕获通道
输入通道:需要被测量的信号从定时器的外部引脚 TIMx_CH1/2/3/4 进入,通常叫 TI1/2/3/4,在后面的捕获讲解中对于要被测量的信号我们都以 TIx 为标准叫法
捕获通道:捕获通道就是图中的 IC1/2/3/4,每个捕获通道都有相对应的捕获寄存器 CCR1/2/3/4,当发生捕获的时候,计数器 CNT 的值就会被锁存到捕获寄存器中
输入通道是用来输入信号的,捕获通道是用来捕获输入信号的通道,一个输入通道的信号可以同时输入给两个捕获通道。
比如输入通道 TI1 的信号经过滤波边沿检测器之后的 TI1FP1 和 TI1FP2 可以进入到捕获通道IC1 和 IC2,其实这就是 PWM 输入捕获,只有一路输入信号(TI1)却占用了两个捕获通道(IC1 和 IC2)。当只需要测量输入信号的脉宽时候,用一个捕获通道即可。输入通道和捕获通道的映射关系具体由寄存器 CCMRx 的位 CCxS[1:0]配置
小结:从软件上来说,用 PWM 输入模式测量脉宽和周期更容易,付出的代价是需要占用两个捕获寄存器
三、输出比较通道原理
输出比较功能框图
=输出比较就是通过定时器的外部引脚对外输出控制信号,有冻结、将通道 X(x=1,2,3,4)设置为匹配时输出有效电平、将通道 X 设置为匹配时输出无效电平、翻转、强制变为无效电平、强制变为有效电平、 PWM1 和 PWM2 这八种模式
模式:
1: (冻结模式)冻结模式。定时器作为普通定时器使用,不使用输出比较功能。
2/3:(比较输出模式1)匹配时输出有效/无效电平模式。如递增计数器,比较寄存器内部数值提前设定好,当计数器相等或者大于比较值时,匹配,产生/不产生有效信号输出。当计数器值小于比较值时,不产生/产生有效信号输出。
4: (比较输出模式2)电平翻转模式。当匹配时,引脚状态翻转。步进电机控制常用的模式。
5/6:(强制输出模式)强置为无效/有效电平模式。不管比较寄存器和计数器数值,强制设置比较寄存器的输出。
7/8:(PWM模式) PWM1和PWM2模式。
PWM 输出模式
PWM(脉冲宽度调制)模式可以产生一个由TIMx_ARR寄存器确定频率(周期)、由TIMx_CCRx寄存器确定占空比的PWM信号
PWM1 和PWM2 模式区别
以 PWM1 模式来讲解,以计数器 CNT 计数的方向不同还分为边沿对齐模式和中心对齐模式。 PWM 信号主要都是用来控制电机,一般的电机控制用的都是边沿对齐模式, FOC 电机一般用中心对齐模式
PWM 边沿对齐模式
在递增计数模式下,计数器从 0 计数到自动重载值( TIMx_ARR 寄存器的内容),然后重新从 0 开始计数并生成计数器上溢事件
边沿对齐模式下,计数器 CNT 只工作在一种模式,递增或者递减模式。这里我们以CNT 工作在递增模式为例,在中, ARR=8, CCR=4, CNT 从 0 开始计数,当 CNT
